Перейти к блогу GetChip.net - блог        JilTE[1] - в разработке     Модификации устройств - модификации

 
Текущее время: 15 окт 2025, 09:35

Часовой пояс: UTC + 3 часа [ Летнее время ]



Начать новую тему Ответить на тему  [ Сообщений: 15 ]  На страницу 1, 2  След.
Автор Сообщение
 Заголовок сообщения: Ктонибудь располагает информацией о жки 122х32 на русском ?
СообщениеДобавлено: 11 апр 2012, 12:38 
Не в сети

Зарегистрирован: 17 окт 2011, 20:16
Сообщения: 67
Есть че по ссылкам или докам ?
Собрал драйвер на тини 2313 кварц 16 мгц пробовал писать прогу но досихпор кроме подсветки нече невижу :grump:
Нужно побольше инфы на нормальном языке !


Вложения:
2EE6Ed01.pdf [162.48 КБ]
Скачиваний: 1150
6D6A3d01.pdf [181.58 КБ]
Скачиваний: 1001
Вернуться к началу
 Профиль Отправить личное сообщение  
Ответить с цитатой  
 Заголовок сообщения: Re: Ктонибудь располагает информацией о жки 122х32 на русско
СообщениеДобавлено: 11 апр 2012, 14:15 
Не в сети

Зарегистрирован: 20 май 2011, 23:58
Сообщения: 134
Откуда: St.-Petersburg


Вернуться к началу
 Профиль Отправить личное сообщение  
Ответить с цитатой  
 Заголовок сообщения: Re: Ктонибудь располагает информацией о жки 122х32 на русско
СообщениеДобавлено: 11 апр 2012, 14:21 
Не в сети

Зарегистрирован: 17 окт 2011, 20:16
Сообщения: 67
уже 100000000000000000000000000000000000000000000000000000000000000000000000000000 раз


Вернуться к началу
 Профиль Отправить личное сообщение  
Ответить с цитатой  
 Заголовок сообщения: Re: Ктонибудь располагает информацией о жки 122х32 на русско
СообщениеДобавлено: 11 апр 2012, 16:55 
Не в сети
Аватара пользователя

Зарегистрирован: 12 фев 2012, 22:25
Сообщения: 72
Проблема может быть в том, что МК и микросхемы ЖКИ работают с разнополярным питанием. Проверь цепи питания и сброса.


Вернуться к началу
 Профиль Отправить личное сообщение  
Ответить с цитатой  
 Заголовок сообщения: Re: Ктонибудь располагает информацией о жки 122х32 на русско
СообщениеДобавлено: 11 апр 2012, 20:23 
Не в сети

Зарегистрирован: 20 май 2011, 23:58
Сообщения: 134
Откуда: St.-Petersburg


Вернуться к началу
 Профиль Отправить личное сообщение  
Ответить с цитатой  
 Заголовок сообщения: Re: Ктонибудь располагает информацией о жки 122х32 на русско
СообщениеДобавлено: 12 апр 2012, 08:36 
Не в сети

Зарегистрирован: 17 окт 2011, 20:16
Сообщения: 67
Дисплей прибыл из китая и причем все серийные номера замазаны краской и стерты. сдается мне он был украден из некондиции с завода и продан через Ebay ;) В любом случае остается толко одно чтоб убедится в его исправности, дрыгать ногами управляя мк через uatr .


Вложения:
Фото0359.jpg
Фото0359.jpg [ 218.49 КБ | Просмотров: 19749 ]
Вернуться к началу
 Профиль Отправить личное сообщение  
Ответить с цитатой  
 Заголовок сообщения: Re: Ктонибудь располагает информацией о жки 122х32 на русско
СообщениеДобавлено: 27 апр 2012, 19:52 
Не в сети

Зарегистрирован: 17 окт 2011, 20:16
Сообщения: 67
Оказывается ему на подстройку яркости отрицательная полярность нужна :shock: :crazy: блин нафиг такую каку делать :mad:


Вернуться к началу
 Профиль Отправить личное сообщение  
Ответить с цитатой  
 Заголовок сообщения: Re: Ктонибудь располагает информацией о жки 122х32 на русско
СообщениеДобавлено: 28 апр 2012, 14:40 
Не в сети

Зарегистрирован: 20 май 2011, 23:58
Сообщения: 545

_________________
Чтобы получить правильные ответы, надо задавать правильные вопросы!


Вернуться к началу
 Профиль Отправить личное сообщение  
Ответить с цитатой  
 Заголовок сообщения: Re: Ктонибудь располагает информацией о жки 122х32 на русско
СообщениеДобавлено: 28 апр 2012, 15:12 
Не в сети
Аватара пользователя

Зарегистрирован: 29 май 2011, 17:59
Сообщения: 3769
Откуда: Россия


Вернуться к началу
 Профиль Отправить личное сообщение  
Ответить с цитатой  
 Заголовок сообщения: Re: Ктонибудь располагает информацией о жки 122х32 на русско
СообщениеДобавлено: 28 апр 2012, 19:08 
Не в сети

Зарегистрирован: 17 окт 2011, 20:16
Сообщения: 67
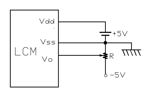
ЖКИ модулю нужно двуполярное питание :mad:


Вложения:
Снимок.PNG
Снимок.PNG [ 18.18 КБ | Просмотров: 19651 ]
Вернуться к началу
 Профиль Отправить личное сообщение  
Ответить с цитатой  
Показать сообщения за:  Поле сортировки  
Начать новую тему Ответить на тему  [ Сообщений: 15 ]  На страницу 1, 2  След.

Часовой пояс: UTC + 3 часа [ Летнее время ]


Кто сейчас на конференции

Сейчас этот форум просматривают: нет зарегистрированных пользователей и гости: 1


Вы можете начинать темы
Вы можете отвечать на сообщения
Вы не можете редактировать свои сообщения
Вы не можете удалять свои сообщения
Вы не можете добавлять вложения

Найти:
Перейти:  
cron
Powered by phpBB © 2000, 2002, 2005, 2007 phpBB Group
Русская поддержка phpBB