Перейти к блогу GetChip.net - блог        JilTE[1] - в разработке     Модификации устройств - модификации

 
Текущее время: 02 май 2026, 12:47

Часовой пояс: UTC + 3 часа [ Летнее время ]



Начать новую тему Ответить на тему  [ Сообщений: 232 ]  На страницу Пред.  1 ... 5, 6, 7, 8, 9, 10, 11 ... 24  След.
Автор Сообщение
 Заголовок сообщения: Re: «Охранно-пожарная сигнализация для дома или дачи»
СообщениеДобавлено: 25 июл 2015, 12:11 
Не в сети
Аватара пользователя

Зарегистрирован: 29 май 2011, 17:59
Сообщения: 3769
Откуда: Россия


Вернуться к началу
 Профиль Отправить личное сообщение  
Ответить с цитатой  
 Заголовок сообщения: Re: «Охранно-пожарная сигнализация для дома или дачи»
СообщениеДобавлено: 26 июл 2015, 23:11 
Не в сети
Аватара пользователя

Зарегистрирован: 29 май 2011, 17:59
Сообщения: 3769
Откуда: Россия
Работая с внешней памятью, в частности по информации записанного события, пришёл к выводу, что нужна информация типа датчика. Так как значения от датчиков будут разными. Я имею ввиду то что записывать придётся не только какой датчик сработал, но и показания датчика (температуру, напряжение аккумулятора). А так как за границу в 8 байт на одно событие, выходить не хотелось (из-за простоты алгоритма), то пришлось в место дня недели (как планировалось ранее), записывать тип датчика. Думаю на информативность это не скажется, так как по числу и месяцу, можно легко определить день недели. Что касается количества событий, я их сделал окончательно в размере 126. :-)


Вернуться к началу
 Профиль Отправить личное сообщение  
Ответить с цитатой  
 Заголовок сообщения: Re: «Охранно-пожарная сигнализация для дома или дачи»
СообщениеДобавлено: 27 июл 2015, 11:07 
Не в сети

Зарегистрирован: 24 мар 2013, 18:53
Сообщения: 129
В днях недели думаю не запутаемся. :roll:


Вернуться к началу
 Профиль Отправить личное сообщение  
Ответить с цитатой  
 Заголовок сообщения: Re: «Охранно-пожарная сигнализация для дома или дачи»
СообщениеДобавлено: 27 июл 2015, 11:46 
Не в сети
Аватара пользователя

Зарегистрирован: 29 май 2011, 17:59
Сообщения: 3769
Откуда: Россия
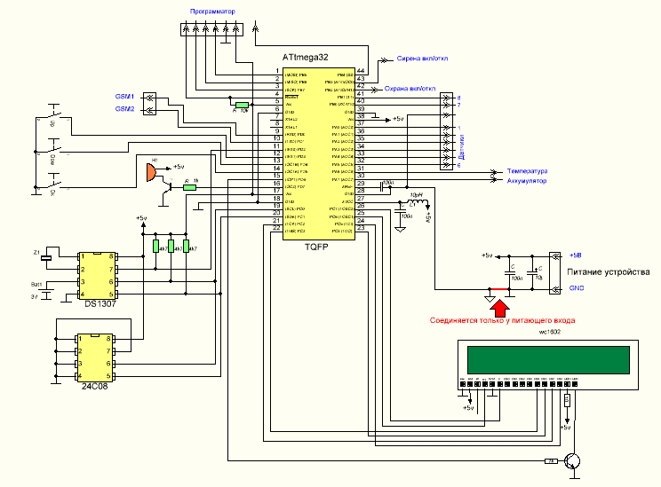
Схема устройства (без регистров сдвига):
схема.png
схема.png [ 32.16 КБ | Просмотров: 14313 ]

схема.zip [45.3 КБ]
Скачиваний: 965

Тестовый вариант программы готов. Есть желание потестить? :-)


Вернуться к началу
 Профиль Отправить личное сообщение  
Ответить с цитатой  
 Заголовок сообщения: Re: «Охранно-пожарная сигнализация для дома или дачи»
СообщениеДобавлено: 27 июл 2015, 13:55 
Не в сети
Аватара пользователя

Зарегистрирован: 29 май 2011, 17:59
Сообщения: 3769
Откуда: Россия
Вопрос… на оба входа GSM, можно одновременно подавать сигналы?


Вернуться к началу
 Профиль Отправить личное сообщение  
Ответить с цитатой  
 Заголовок сообщения: Re: «Охранно-пожарная сигнализация для дома или дачи»
СообщениеДобавлено: 27 июл 2015, 14:38 
Не в сети

Зарегистрирован: 24 мар 2013, 18:53
Сообщения: 129
Можно наверно, честно говоря я как то не пробовал. Протестить , не вопрос, заказываю детали, у часов кварц 32,768 кГц ?


Вернуться к началу
 Профиль Отправить личное сообщение  
Ответить с цитатой  
 Заголовок сообщения: Re: «Охранно-пожарная сигнализация для дома или дачи»
СообщениеДобавлено: 27 июл 2015, 17:18 
Не в сети
Аватара пользователя

Зарегистрирован: 29 май 2011, 17:59
Сообщения: 3769
Откуда: Россия
Да, кварц у часов именно такой, только вот желательно с рекомендуемой его ёмкостью 6 пф. Если поставить 12 пф, то часы будут убегать вперёд, минуты на 3…4 в месяц.

Заказывайте детали и делайте печатку. Данная схема изменятся не будет, если ты ещё что ни будь не придумаешь. :-) У меня на девборде алгоритм работает нормально… но кто знает, может чего нароешь. 8-)


Вернуться к началу
 Профиль Отправить личное сообщение  
Ответить с цитатой  
 Заголовок сообщения: Re: «Охранно-пожарная сигнализация для дома или дачи»
СообщениеДобавлено: 27 июл 2015, 21:50 
Не в сети

Зарегистрирован: 24 мар 2013, 18:53
Сообщения: 129


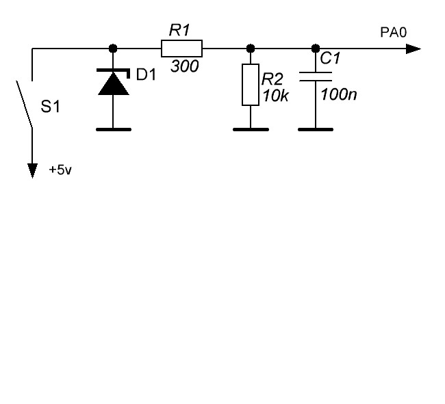
Вложения:
Datchik.JPG
Datchik.JPG [ 19.58 КБ | Просмотров: 14272 ]
Вернуться к началу
 Профиль Отправить личное сообщение  
Ответить с цитатой  
 Заголовок сообщения: Re: «Охранно-пожарная сигнализация для дома или дачи»
СообщениеДобавлено: 28 июл 2015, 01:29 
Не в сети
Аватара пользователя

Зарегистрирован: 29 май 2011, 17:59
Сообщения: 3769
Откуда: Россия


Последний раз редактировалось SVN 28 июл 2015, 18:12, всего редактировалось 1 раз.

Вернуться к началу
 Профиль Отправить личное сообщение  
Ответить с цитатой  
 Заголовок сообщения: Re: «Охранно-пожарная сигнализация для дома или дачи»
СообщениеДобавлено: 28 июл 2015, 01:58 
Не в сети
Аватара пользователя

Зарегистрирован: 29 май 2011, 17:59
Сообщения: 3769
Откуда: Россия
Всё таки забыл описать ещё несколько моментов… :-)

Неисправность датчиков определяется ещё и по длительному удержанию контактов сработанных датчиков. У S1…S6 – 120 сек., у S7 и S8 – 240 сек.

Не написал и об отключении подсветки дисплея… если устройство находится на главном экране более 60 сек. – подсветка выключается. Подсветка включится при входе на другие экраны.

Вот пока всё… может ещё что вспомню… 8-)


Вернуться к началу
 Профиль Отправить личное сообщение  
Ответить с цитатой  
Показать сообщения за:  Поле сортировки  
Начать новую тему Ответить на тему  [ Сообщений: 232 ]  На страницу Пред.  1 ... 5, 6, 7, 8, 9, 10, 11 ... 24  След.

Часовой пояс: UTC + 3 часа [ Летнее время ]


Кто сейчас на конференции

Сейчас этот форум просматривают: нет зарегистрированных пользователей и гости: 11


Вы можете начинать темы
Вы можете отвечать на сообщения
Вы не можете редактировать свои сообщения
Вы не можете удалять свои сообщения
Вы не можете добавлять вложения

Найти:
Перейти:  
cron
Powered by phpBB © 2000, 2002, 2005, 2007 phpBB Group
Русская поддержка phpBB