Перейти к блогу GetChip.net - блог        JilTE[1] - в разработке     Модификации устройств - модификации

 
Текущее время: 23 янв 2026, 18:38

Часовой пояс: UTC + 3 часа [ Летнее время ]



Начать новую тему Ответить на тему  [ Сообщений: 522 ]  На страницу Пред.  1 ... 46, 47, 48, 49, 50, 51, 52, 53  След.
Автор Сообщение
 Заголовок сообщения: Re: автоматика полива огорода
СообщениеДобавлено: 09 июн 2017, 06:06 
Не в сети

Зарегистрирован: 03 ноя 2015, 09:38
Сообщения: 870
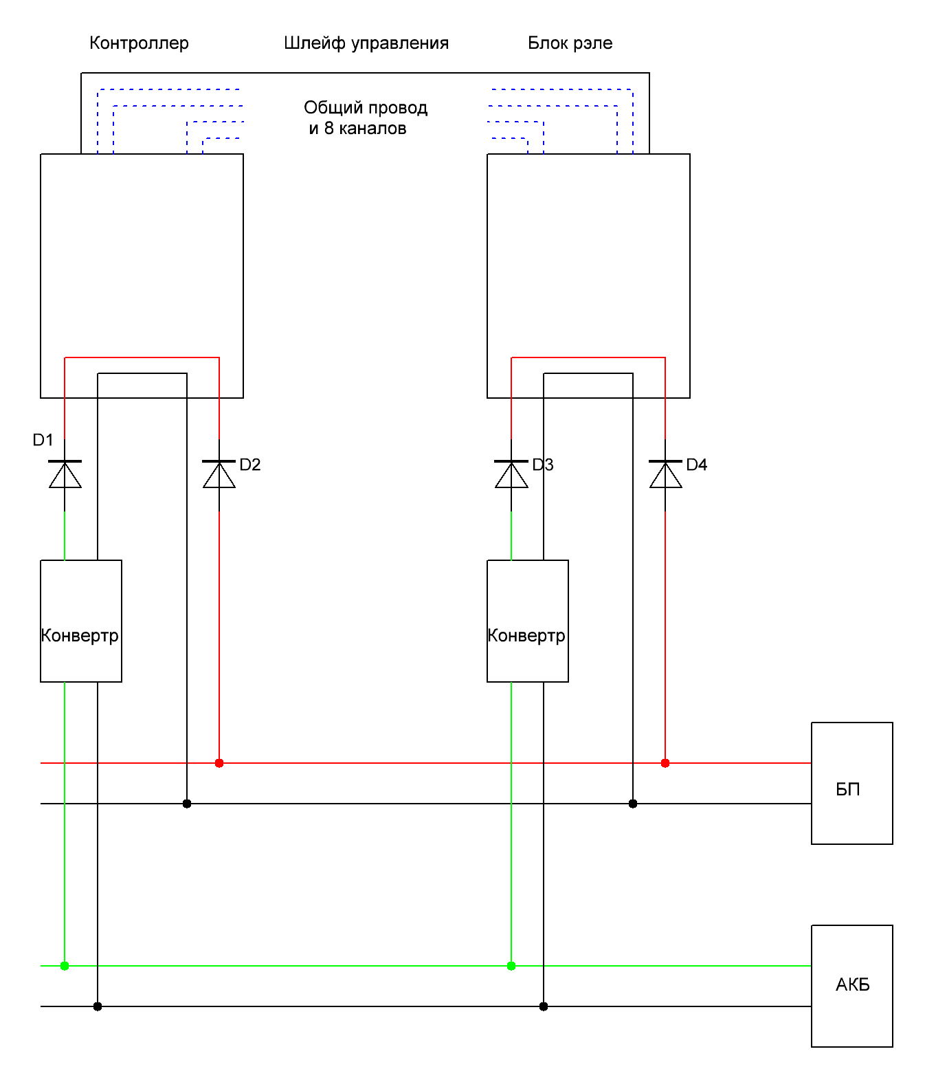
И второй момент по которому бунтует мозг.
Вопрос резервного питания.
Планируется сделать согласно схемы. Единственное диоды и конвертр располагаются соответственно на платах контроллера и блока рэле.
Вопрос который ни как не укладывается в мозгу заключается в следующем:
При наличии 220 схема работает без вопросов. А будет ли работать если 220 исчезнет?
Земля в случае питания от БП и от АКБ общая. А вот с плюсом неувязочка. Будет ли ULN2803 в блоке рэле управляться
сигналами с контроллера при работе от АКБ?
И что то подсказывает мозгу что ни фига не будет работать.
Правильно это или нет?


Вложения:
2.GIF
2.GIF [ 25.31 КБ | Просмотров: 14044 ]
Вернуться к началу
 Профиль Отправить личное сообщение  
Ответить с цитатой  
 Заголовок сообщения: Re: автоматика полива огорода
СообщениеДобавлено: 09 июн 2017, 08:21 
Не в сети
Аватара пользователя

Зарегистрирован: 29 май 2011, 17:59
Сообщения: 3769
Откуда: Россия


Вернуться к началу
 Профиль Отправить личное сообщение  
Ответить с цитатой  
 Заголовок сообщения: Re: автоматика полива огорода
СообщениеДобавлено: 09 июн 2017, 08:24 
Не в сети

Зарегистрирован: 03 ноя 2015, 09:38
Сообщения: 870
R1 нужен если оптическая развязка для управления нагрузкой.


Вернуться к началу
 Профиль Отправить личное сообщение  
Ответить с цитатой  
 Заголовок сообщения: Re: автоматика полива огорода
СообщениеДобавлено: 09 июн 2017, 08:25 
Не в сети
Аватара пользователя

Зарегистрирован: 29 май 2011, 17:59
Сообщения: 3769
Откуда: Россия


Вернуться к началу
 Профиль Отправить личное сообщение  
Ответить с цитатой  
 Заголовок сообщения: Re: автоматика полива огорода
СообщениеДобавлено: 09 июн 2017, 08:27 
Не в сети
Аватара пользователя

Зарегистрирован: 29 май 2011, 17:59
Сообщения: 3769
Откуда: Россия


Вернуться к началу
 Профиль Отправить личное сообщение  
Ответить с цитатой  
 Заголовок сообщения: Re: автоматика полива огорода
СообщениеДобавлено: 09 июн 2017, 08:31 
Не в сети

Зарегистрирован: 03 ноя 2015, 09:38
Сообщения: 870
если я правильно помню для такой схемы аварийного питания нужно что бы одно из напряжений было чуть выше ну и нужно учесть падение напряжения на диодах. Питание схемы 5 v.

Я понял. но на всякий случай решил подстраховаться. Наличие резистора на 100 ом кординальным образом не повлияет на работу устройства. Я старался сделать плату универсальной. При использовании ULN 2803 для управления рэле можно впаять перемычки.


Последний раз редактировалось styxbbc 09 июн 2017, 08:38, всего редактировалось 2 раз(а).

Вернуться к началу
 Профиль Отправить личное сообщение  
Ответить с цитатой  
 Заголовок сообщения: Re: автоматика полива огорода
СообщениеДобавлено: 09 июн 2017, 08:32 
Не в сети

Зарегистрирован: 03 ноя 2015, 09:38
Сообщения: 870
SVN спасибо за консультацию


Вернуться к началу
 Профиль Отправить личное сообщение  
Ответить с цитатой  
 Заголовок сообщения: Re: автоматика полива огорода
СообщениеДобавлено: 09 июн 2017, 14:43 
Не в сети
Аватара пользователя

Зарегистрирован: 29 май 2011, 17:59
Сообщения: 3769
Откуда: Россия


Вернуться к началу
 Профиль Отправить личное сообщение  
Ответить с цитатой  
 Заголовок сообщения: Re: автоматика полива огорода
СообщениеДобавлено: 23 июн 2017, 23:33 
Не в сети

Зарегистрирован: 14 мар 2012, 22:49
Сообщения: 91
После сброса всех событий на 4-й строке каналы показаны как включенные, т.е. горят цифры а не звездочки. Это нормально, или опять у меня ошибка в алгоритме? Что характерно, реле не включены.
Как исправить?


Вернуться к началу
 Профиль Отправить личное сообщение  
Ответить с цитатой  
 Заголовок сообщения: Re: автоматика полива огорода
СообщениеДобавлено: 24 июн 2017, 00:48 
Не в сети
Аватара пользователя

Зарегистрирован: 29 май 2011, 17:59
Сообщения: 3769
Откуда: Россия
В оригинальной версии такого нет. Это наверное так получается у тебя в переделанной… потому как ты не обратил внимание на алгоритм индикации.


Вернуться к началу
 Профиль Отправить личное сообщение  
Ответить с цитатой  
Показать сообщения за:  Поле сортировки  
Начать новую тему Ответить на тему  [ Сообщений: 522 ]  На страницу Пред.  1 ... 46, 47, 48, 49, 50, 51, 52, 53  След.

Часовой пояс: UTC + 3 часа [ Летнее время ]


Кто сейчас на конференции

Сейчас этот форум просматривают: нет зарегистрированных пользователей и гости: 4


Вы можете начинать темы
Вы можете отвечать на сообщения
Вы не можете редактировать свои сообщения
Вы не можете удалять свои сообщения
Вы не можете добавлять вложения

Найти:
Перейти:  
cron
Powered by phpBB © 2000, 2002, 2005, 2007 phpBB Group
Русская поддержка phpBB