Перейти к блогу GetChip.net - блог        JilTE[1] - в разработке     Модификации устройств - модификации

 
Текущее время: 13 дек 2025, 14:02

Часовой пояс: UTC + 3 часа [ Летнее время ]



Начать новую тему Ответить на тему  [ Сообщений: 198 ]  На страницу Пред.  1 ... 6, 7, 8, 9, 10, 11, 12 ... 20  След.
Автор Сообщение
 Заголовок сообщения: Re: 076-Управление нагрузками при помощи IR-пульта (ATtiny13
СообщениеДобавлено: 14 мар 2012, 16:37 
Не в сети
Аватара пользователя

Зарегистрирован: 14 мар 2012, 16:34
Сообщения: 21
доброго времени суток…
можно переделать программу так чтоб через пулт управления управлять одной нагрузкой.

Процедура изучения клавиш пульта:
– включаем устройство;
– в течении около 10 секунд удерживаем нажатой любую клавишу пульта (для разных пультов время удержания разное, так как замеряется не время удержания, а количество автоповторов команды кнопки);
– по истечении 10 секунд замерцает индикаторный светодиод – устройство перешло в режим изучения;
– далее последовательно нажимаем клавиши пульта чтоб включить нагрузку и вторую чтоб выключить….. и все….
можно без RSTDSBL а то 3 штуки угробил и не смог восстановить.
как указанно на sshot-е на ChipBlaster-е нет все галочки…
заранее благодарен.


Вернуться к началу
 Профиль Отправить личное сообщение  
Ответить с цитатой  
 Заголовок сообщения: Re: 076-Управление нагрузками при помощи IR-пульта (ATtiny13
СообщениеДобавлено: 14 мар 2012, 17:27 
Не в сети
Аватара пользователя

Зарегистрирован: 09 сен 2011, 06:43
Сообщения: 294


Вернуться к началу
 Профиль Отправить личное сообщение  
Ответить с цитатой  
 Заголовок сообщения: Re: 076-Управление нагрузками при помощи IR-пульта (ATtiny13
СообщениеДобавлено: 14 мар 2012, 17:52 
Не в сети
Аватара пользователя

Зарегистрирован: 14 мар 2012, 16:34
Сообщения: 21
во первых прошивал attiny13 как написанно на саите но светодиод все времия мерцаеть.... и комманды пулта не принимает....
во вторых как указанно sshot-е такие галочки нет ни chipblastera ни ponyproga. на саите есть прорамма для програмировании attiny13 и с етим программом я прошил attiny13.
нужно токо включить и выключить толко один нагрузка и хотелос что обучение было еше простое.
как написанно 10 сек нажат любую кнопку чтоб выучить и потом нажат первую ненужную кнопку пульта для включения нагрузки и потом вторую кнопку для выключения нагрузки и все... я етого хотел сказать.....и attiny13 исползовать для включения выключения нагрузки толко однин порт... вот...... :-)


Вложения:
sshot-11.png
sshot-11.png [ 4.67 КБ | Просмотров: 16527 ]
Вернуться к началу
 Профиль Отправить личное сообщение  
Ответить с цитатой  
 Заголовок сообщения: Re: 076-Управление нагрузками при помощи IR-пульта (ATtiny13
СообщениеДобавлено: 14 мар 2012, 18:13 
Не в сети
Аватара пользователя

Зарегистрирован: 09 сен 2011, 06:43
Сообщения: 294
ок я понял, что вам надо... но сегодня у меня нет под рукой платы чтобы протестировать прошивку. но завтра я выложу.. можно сделать откл/выкл одной кнопкой пульта ... или это критично, что бы вкл/выкл. был разными кнопками?


Вернуться к началу
 Профиль Отправить личное сообщение  
Ответить с цитатой  
 Заголовок сообщения: Re: 076-Управление нагрузками при помощи IR-пульта (ATtiny13
СообщениеДобавлено: 14 мар 2012, 21:42 
Не в сети
Аватара пользователя

Зарегистрирован: 14 мар 2012, 16:34
Сообщения: 21
нет не критично.... это лучше если один и тот же кнопка может включить/выключить....
можете сделать 3 прошивки разными режимами работы.

1. пульт управляет одним нагрузкам, для ночника.
2. пульт управляет двум нагрузкам, для прихожей и спальной.
3. пульт управляет трем нагрузкам, для зала.
естественно режим обучения будет прежним 10-15 сек удерживаю любую кнопку и потом нажимаю свободную копку на пульте и этот кнопка будет включит/выключит нагрузку и обучения и программирование завершено.
во втором 10-15 сек удерживаю любую кнопку и потом нажимаю свободную копку на пульте и 1 кнопка будет включит/выключит нагрузку, нажимаю второю свободную кнопку который будет включит/выключит вторую нагрузку и обучения и программирование завершено.
и третьем варианте тоже самое но будет задействовано 3 кнопки.
этот систему хочу установить дома пожилым людям (дедушка и бабушка) и потому нужно что программирование было простым.
если можно при программировании fuse не использовать RSTDISBL а то угробил уже 5 штук.(как можно реанимировать простым способом чтоб не собрать схему для восстановления).
заранее благодарен.
с наилучшими пожеланиями.
с уважением ZUR. :-)


Вложения:
attiny13a-ir-remote.PNG
attiny13a-ir-remote.PNG [ 13.25 КБ | Просмотров: 16520 ]
Вернуться к началу
 Профиль Отправить личное сообщение  
Ответить с цитатой  
 Заголовок сообщения: Re: 076-Управление нагрузками при помощи IR-пульта (ATtiny13
СообщениеДобавлено: 15 мар 2012, 06:46 
Не в сети
Аватара пользователя

Зарегистрирован: 09 сен 2011, 06:43
Сообщения: 294
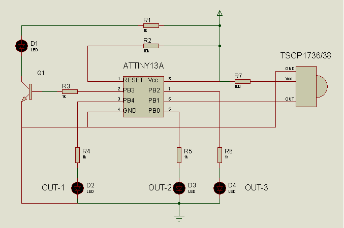
как и обещал ...в архиве 3 папки с тремя прошивками и исходниками... выхода нагрузки могут не соответствовать вашей схеме.. я руководствовался схемой Автора.. то есть "Нагрузка А- PB4", "Нагрузка В - РВ2", "Нагрузка С -РВ0"
как это работает...
запуск процедуры обучения пульта при условии закорачивания ножки кристалла 6 (PB1) (или штырька платы Out) на «землю» при подаче питания. После перехода в режим обучения (индикаторный светодиод помигает) ножку нужно «отпустить».
эта функция я думаю лучше чем удержание кнопки пульта.. т.к нажать можно и случайно...как говорится: запрограммировал модуль, обучил пульт и забыл... насчет фузов ничем помочь не могу.. я программирую сразу с Algorithm Builder. открываем проект нажимает Shift+Ctrl+F9, главное при первом программировании мк не забыть поставить галочку запись fuse битов потом "Старт" и нет проблем... в качестве программатора использую "СОМ программатор Громова".. и еще я там добавил, что нагрузки включаются сразу при подачи питания.. это удобно использовать при подключении модуля к выключателю...
будут вопросы пишите...


Вложения:
loads.rar [26.37 КБ]
Скачиваний: 952
Вернуться к началу
 Профиль Отправить личное сообщение  
Ответить с цитатой  
 Заголовок сообщения: Re: 076-Управление нагрузками при помощи IR-пульта (ATtiny13
СообщениеДобавлено: 16 мар 2012, 12:36 
Не в сети
Аватара пользователя

Зарегистрирован: 14 мар 2012, 16:34
Сообщения: 21
спосибо Dust.....
скачал файл и оказалось что первая папка пустая....
собрал программатор громова и установил algorithm builder откриваю прект нажимаю Shift+Ctrl+F9 установил галкочку для програмировании fuse нажал OK и прошилос нормално (fuse установил как показанно на sshot-е)...
закорачивал ножки кристалла 6 (PB1) на «землю» подал питания дваждый замерцал светодйод После перехода в режим обучения ножку отпустил. потом нажал не нужную кнопку на пулте... и все... при нажатии кнопки контролный светодиод
одиночно вспыхивает но на портах процессора сигнали не менияется.
я пробовал все прошивки которие есть на саите но тоже самое...
про hardware attiny13A tsop1738 и питаю ехему от USB....


Вернуться к началу
 Профиль Отправить личное сообщение  
Ответить с цитатой  
 Заголовок сообщения: Re: 076-Управление нагрузками при помощи IR-пульта (ATtiny13
СообщениеДобавлено: 16 мар 2012, 15:58 
Не в сети
Аватара пользователя

Зарегистрирован: 09 сен 2011, 06:43
Сообщения: 294
странно... у меня все работало без проблем.. и на tsop1738 работало... :? может все таки что то не так по схеме? но если индикатор реагирует на пульт это уже хорошо... я эту схему повторял раз 10 и ни на одном модуле проблем не было...


Вернуться к началу
 Профиль Отправить личное сообщение  
Ответить с цитатой  
 Заголовок сообщения: Re: 076-Управление нагрузками при помощи IR-пульта (ATtiny13
СообщениеДобавлено: 16 мар 2012, 22:54 
Не в сети
Аватара пользователя

Зарегистрирован: 14 мар 2012, 16:34
Сообщения: 21
огромное спасибо Dust за все....
проблема било в питании на USB наверно это цифровые помехи и мешали тинку... установил керамические и электролитические конденсаторы работает отлично. даже я сделал бестрансформаторное питание и для комутации собрал вот эту схему http://avr.ru/beginer/avrsbs/step7.html и работает шоколадно лампами накаливания.
но не работает люминесцентных лампах..... проблема такова я могу включит с пульта лампу и не смогу выключить т.е светодиод не мигает в обще не реагирует потом выключаю с розетки и снова включаю потом нажимаю кнопку пульте и лампа включается но не могу выключат. это не происходить лампами накаливания...
в общем как я думаю помехи переводят тинку либо режим обучения либо зависает тинка...
тинка может управлять тремя нагрузкам и если можно из какой либо ножку (PB0--PB2--PB4)подключить кнопку и при нажатии кнопки перешел режим обучения.
еще раз спасибо Dust... и конечно огромное спасибо автора....
P.S Dust можете переделать программу для одного нагрузки в закрепленном файле папка 1 варианта было пустой


Вернуться к началу
 Профиль Отправить личное сообщение  
Ответить с цитатой  
 Заголовок сообщения: Re: 076-Управление нагрузками при помощи IR-пульта (ATtiny13
СообщениеДобавлено: 18 мар 2012, 13:29 
Не в сети
Аватара пользователя

Зарегистрирован: 09 сен 2011, 06:43
Сообщения: 294
ну вот... в архиве два вида на 1 и на 2 нагрузки... изучение пульта происходит при нажатии PB0+GND. короче убрал третью нагрузку и вместо нее повесил кнопку на изучении пульта ..


Вложения:
loads.rar [25.45 КБ]
Скачиваний: 976
Вернуться к началу
 Профиль Отправить личное сообщение  
Ответить с цитатой  
Показать сообщения за:  Поле сортировки  
Начать новую тему Ответить на тему  [ Сообщений: 198 ]  На страницу Пред.  1 ... 6, 7, 8, 9, 10, 11, 12 ... 20  След.

Часовой пояс: UTC + 3 часа [ Летнее время ]


Кто сейчас на конференции

Сейчас этот форум просматривают: нет зарегистрированных пользователей и гости: 0


Вы не можете начинать темы
Вы можете отвечать на сообщения
Вы не можете редактировать свои сообщения
Вы не можете удалять свои сообщения
Вы не можете добавлять вложения

Найти:
Перейти:  
cron
Powered by phpBB © 2000, 2002, 2005, 2007 phpBB Group
Русская поддержка phpBB