Перейти к блогу GetChip.net - блог        JilTE[1] - в разработке     Модификации устройств - модификации

 
Текущее время: 27 мар 2026, 06:08

Часовой пояс: UTC + 3 часа [ Летнее время ]



Начать новую тему Ответить на тему  [ Сообщений: 25 ]  На страницу Пред.  1, 2, 3  След.
Автор Сообщение
 Заголовок сообщения: Re: Озвучивание движения детского велосипеда
СообщениеДобавлено: 18 сен 2012, 00:19 
Не в сети

Зарегистрирован: 11 сен 2012, 11:40
Сообщения: 4
Честно говоря, так и не ясно,почему не подходит датчик Холла или оптопара? На мой взгляд оба датчика вполне можно использовать для получения числа оборотов колеса (скорости).


Вернуться к началу
 Профиль Отправить личное сообщение  
Ответить с цитатой  
 Заголовок сообщения: Re: Озвучивание движения детского велосипеда
СообщениеДобавлено: 18 сен 2012, 05:04 
Не в сети
Аватара пользователя

Зарегистрирован: 29 май 2011, 17:59
Сообщения: 3769
Откуда: Россия
Конечно можно, защитив предварительно от внешней среды.


Вернуться к началу
 Профиль Отправить личное сообщение  
Ответить с цитатой  
 Заголовок сообщения: Re: Озвучивание движения детского велосипеда
СообщениеДобавлено: 23 сен 2012, 23:27 
Не в сети

Зарегистрирован: 11 сен 2012, 11:40
Сообщения: 4
Что то темка подзаглохла! Видимо Автор занят(((
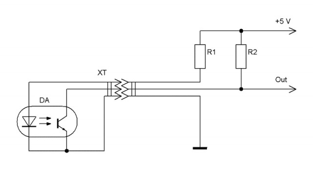
Датчики:
Оптопара, оптопара с инверсией,холл. Геркон не рассматривается из-за дребезга контактов.


Вложения:
opto.jpg
opto.jpg [ 36.82 КБ | Просмотров: 27949 ]
opto.inv.jpg
opto.inv.jpg [ 41.72 КБ | Просмотров: 27949 ]
hall.jpg
hall.jpg [ 4.41 КБ | Просмотров: 27949 ]
Вернуться к началу
 Профиль Отправить личное сообщение  
Ответить с цитатой  
 Заголовок сообщения: Re: Озвучивание движения детского велосипеда
СообщениеДобавлено: 26 сен 2012, 21:10 
Акселерометр для таких целей не подойдут? он вроде ускорение измеряет


Вернуться к началу
  
Ответить с цитатой  
 Заголовок сообщения: Re: Озвучивание движения детского велосипеда
СообщениеДобавлено: 26 сен 2012, 22:00 
Не в сети
Администратор
Аватара пользователя

Зарегистрирован: 15 май 2011, 23:00
Сообщения: 1904
Немного не то. Будет куча посторонних бросков во все стороны во время движения. Плюс на малой скорости будут большие погрешности - короче не то.


Вернуться к началу
 Профиль Отправить личное сообщение  
Ответить с цитатой  
 Заголовок сообщения: Re: Озвучивание движения детского велосипеда
СообщениеДобавлено: 27 ноя 2012, 19:22 
За основу возьмите постоянный магнит и пару катушек. Круглый магнит закрепите на ось колеса в том месте где крепяться спицы, а на вилку пару катушек прикрепить. При вращении он будет служить как источник питания и как датчик движения. Поставь обычный мультивибратор, чем быстрей крутишь педали тем больше напруги на мультивибраторе и частота изменяется от того как крутишь педали. Одним выстрелом двух зайцев.


Вернуться к началу
  
Ответить с цитатой  
 Заголовок сообщения: Re: Озвучивание движения детского велосипеда
СообщениеДобавлено: 27 ноя 2012, 19:43 
Не в сети
Администратор
Аватара пользователя

Зарегистрирован: 15 май 2011, 23:00
Сообщения: 1904
Насчет питания схемы - это врядли. Громко проигрывать треки на улице нужно много тока. А вот как контроль положения, наверное, лучший вариант! Только нужен кольцевой магнит с намагниченностью не по оси круга а поперек ее (то есть одно полукольцо - N, второе - S). Датчик Холла взять аналоговый и он будет давать синусоиду и каждый момент времени можно точно определить положение колеса и иго угловую скорость. Отличная идея!

Дабы не искать тороидальный магнит можно ближе к оси колеса в точках 0 и 180 градусов поставить по магниту в разной полярности. Должно давать что-то близкое к синусоиде.


Вернуться к началу
 Профиль Отправить личное сообщение  
Ответить с цитатой  
 Заголовок сообщения: Re: Озвучивание движения детского велосипеда
СообщениеДобавлено: 27 ноя 2012, 21:04 


Вернуться к началу
  
Ответить с цитатой  
 Заголовок сообщения: Re: Озвучивание движения детского велосипеда
СообщениеДобавлено: 27 ноя 2012, 21:10 
Извеняюсь внесу поправку от компьютерного вентилятора


Вернуться к началу
  
Ответить с цитатой  
 Заголовок сообщения: Re: Озвучивание движения детского велосипеда
СообщениеДобавлено: 12 янв 2014, 23:09 
Не в сети
Аватара пользователя

Зарегистрирован: 12 янв 2014, 16:16
Сообщения: 82
а такое за основу взять не вариант?


Вернуться к началу
 Профиль Отправить личное сообщение  
Ответить с цитатой  
Показать сообщения за:  Поле сортировки  
Начать новую тему Ответить на тему  [ Сообщений: 25 ]  На страницу Пред.  1, 2, 3  След.

Часовой пояс: UTC + 3 часа [ Летнее время ]


Кто сейчас на конференции

Сейчас этот форум просматривают: нет зарегистрированных пользователей и гости: 12


Вы не можете начинать темы
Вы можете отвечать на сообщения
Вы не можете редактировать свои сообщения
Вы не можете удалять свои сообщения
Вы не можете добавлять вложения

Найти:
Перейти:  
Powered by phpBB © 2000, 2002, 2005, 2007 phpBB Group
Русская поддержка phpBB