Перейти к блогу GetChip.net - блог        JilTE[1] - в разработке     Модификации устройств - модификации

 
Текущее время: 24 янв 2026, 06:30

Часовой пояс: UTC + 3 часа [ Летнее время ]



Начать новую тему Ответить на тему  [ Сообщений: 6 ] 
Автор Сообщение
 Заголовок сообщения: Помогите разобраться написать в HiAsm
СообщениеДобавлено: 09 янв 2015, 11:11 
Не в сети

Зарегистрирован: 05 янв 2015, 15:32
Сообщения: 3
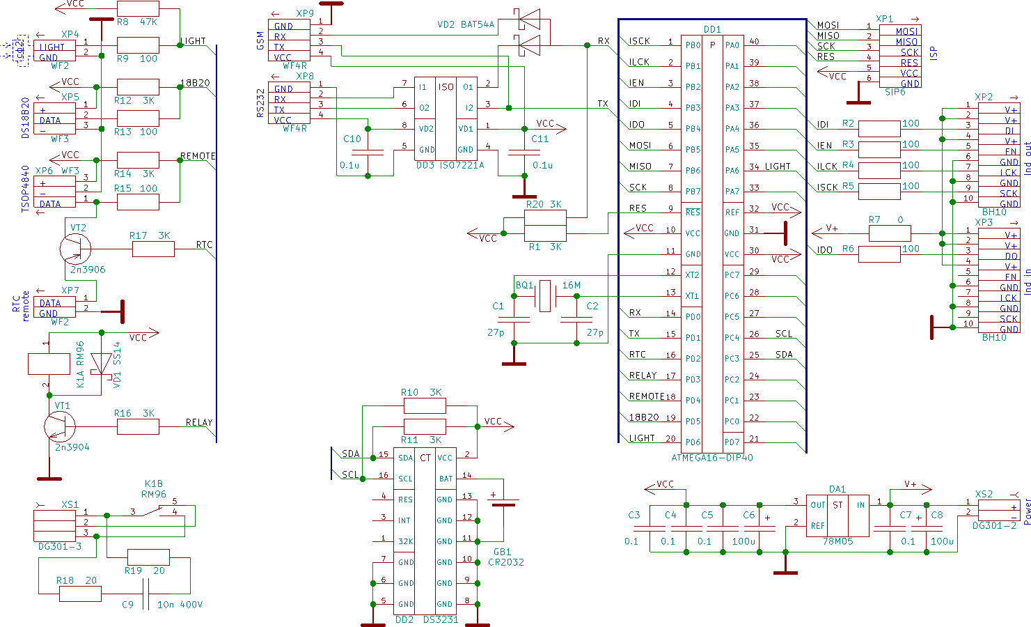
Всем добрый день есть устройство типа обменника на микроконтроллере атмега 16 хочу управлять с компа через ком порт в него нужно отправить строку
точка обозначается кодом 128 который добавляется к цифре если она с точкой.
<LF> - это код Line Feed = 10
Чтобы записать 8888
1234
3.3.3.3.
dign=0<LF> -установка счетчика начальной цифры
digv=8<LF>digv=8<LF>digv=8<LF>digv=8<LF>digv=1<LF>digv=2<LF>digv=3<LF>digv=4<LF>digv=131<LF>digv=131<LF>digv=131<LF>digv=131<LF>

для записи 88.88: dign=0<LF>digv=8<LF>digv=136<LF>digv=8<LF>digv=8<LF>
для записи 8888: dign=0<LF>digv=8<LF>digv=8<LF>digv=8<LF>digv=8<LF>
для записи 3.3.3.3.dign=0<LF>digv=131<LF>digv=131<LF>digv=131<LF>digv=131<LF>

как выполнить строку в хаясм менять в строчке цифры и точки и кнопкой записать в ком порт


Вложения:
sch.png
sch.png [ 47.24 КБ | Просмотров: 19033 ]
Вернуться к началу
 Профиль Отправить личное сообщение  
Ответить с цитатой  
 Заголовок сообщения: Re: Помогите разобраться написать в HiAsm
СообщениеДобавлено: 09 янв 2015, 12:19 
Не в сети
Аватара пользователя

Зарегистрирован: 12 янв 2014, 16:16
Сообщения: 82
че то я совсем не понял ничего. :shock:


Вернуться к началу
 Профиль Отправить личное сообщение  
Ответить с цитатой  
 Заголовок сообщения: Re: Помогите разобраться написать в HiAsm
СообщениеДобавлено: 10 янв 2015, 22:04 
Не в сети
Администратор
Аватара пользователя

Зарегистрирован: 15 май 2011, 23:00
Сообщения: 1904
Это не сложно сделать. Только нужно разобраться что именно нужно сделать :grump: - как-то витиевато ТЗ составлено.

Для начала - Ваши пожелания можно реализовать посредством обычной программы терминала?


Вернуться к началу
 Профиль Отправить личное сообщение  
Ответить с цитатой  
 Заголовок сообщения: Re: Помогите разобраться написать в HiAsm
СообщениеДобавлено: 13 янв 2015, 10:41 
Не в сети

Зарегистрирован: 05 янв 2015, 15:32
Сообщения: 3
я представляю программку что то в роде так
сначала выбор порта настройка скорости и кнопку соединиться
после соединения появляются окна для ввода цифр и точек 8.8.8.8
рядов 5 после ввожу нужные мне цифры и ставлю точки где мне нужно нажимаю кнопку прописать
и все это уходит в микроконтроллер через ком порт и 232 переходник на RX-TX

Удаленное управление с ПК.
Управление с ПК – через порт RS232, параметры: 19200 8n1.
Протокол представляет собой текстовые команды в формате ключ=значение (запись
параметра), и ключ= (чтение параметра).
Каждая команда завершается переводом строки (LF, \n).
Список доступных команд:
№ название описание запись значение
1 digs Общее количество символов - 0..80
2 dign Номер текущего символа + 0..80
3 digv Значение символа + 0..10
4 pars Общее количество параметров - 10
5 parn Номер текущего параметра + 0..9
6 parv Значение параметра + 0..255
7 rows Количество строк - 0..20
8 ver Номер/версия прошивки - 0..0xFFFFFF
пример записи
для записи 88.88: dign=0<LF>digv=8<LF>digv=136<LF>digv=8<LF>digv=8<LF>


Вернуться к началу
 Профиль Отправить личное сообщение  
Ответить с цитатой  
 Заголовок сообщения: Re: Помогите разобраться написать в HiAsm
СообщениеДобавлено: 13 янв 2015, 18:07 
Не в сети
Аватара пользователя

Зарегистрирован: 12 янв 2014, 16:16
Сообщения: 82
по моему программа эффектор работает похоже. может стоит посмотреть ее исходники? она как раз на хайасм написана


Вернуться к началу
 Профиль Отправить личное сообщение  
Ответить с цитатой  
 Заголовок сообщения: Re: Помогите разобраться написать в HiAsm
СообщениеДобавлено: 20 янв 2015, 19:46 
Не в сети

Зарегистрирован: 05 янв 2015, 15:32
Сообщения: 3
Да я смотрел исходник но пока не разберусь как с ним воевать.


Вернуться к началу
 Профиль Отправить личное сообщение  
Ответить с цитатой  
Показать сообщения за:  Поле сортировки  
Начать новую тему Ответить на тему  [ Сообщений: 6 ] 

Часовой пояс: UTC + 3 часа [ Летнее время ]


Кто сейчас на конференции

Сейчас этот форум просматривают: нет зарегистрированных пользователей и гости: 0


Вы можете начинать темы
Вы можете отвечать на сообщения
Вы не можете редактировать свои сообщения
Вы не можете удалять свои сообщения
Вы не можете добавлять вложения

Найти:
Перейти:  
cron
Powered by phpBB © 2000, 2002, 2005, 2007 phpBB Group
Русская поддержка phpBB